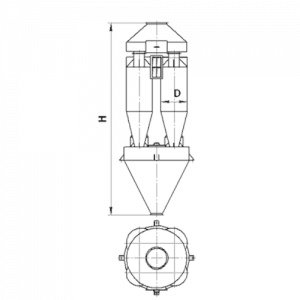
Циклон СЦН-40
Циклон СЦН-40 – одна з кращих установок, що застосовуються на території України і країн СНД для очищення повітряних мас від забруднень різної природи – сажі, пилу, цукрової пудри, будівельних матеріалів тощо. Такий тип циклонів в два рази ефективніше в роботі, ніж ЦН-15. Устаткування видаляє пилові частинки, середнього і великого розміру. Також пристрої можна додатково укомплектувати фільтрами, які ловлять дрібні пилові частинки.
Монтаж пристроїв проводиться в приміщення, оснащені витяжками, повітря з яких надходить в циклони для очищення. СЦН-40 виготовляють з металевих сплавів товщиною 3 мм. Такі циклони дозволяють одночасно очистити повітря від різних домішок.
Переваги використання циклонів СЦН-40
Затребуваність циклонів на різних підприємствах пояснюється:
– ефективної очищенням повітря від сторонніх включень (90-98%);
– можливістю використання пристроїв на будь-яких підприємствах, де важлива організація ефективного очищення повітряних мас;
– відсутністю не менше продуктивних аналогів;
– простої конструкції і технічного обслуговування систем;
– прийнятною ціною.
Принцип дії циклонів
Для очищення повітря:
– пил, пісок та інші забруднень подаються в обладнання через бічний отвір, після чого починається очищення газово-повітряних сумішей;
– тверді частинки після закручування пересуваються в нижню частину системи і виявляються в бункері;
– періодично сторонні тверді частинки, зібрані в бункері, підлягають очистці.
Циклон СЦН-40
Показаны все (13)Цены: по возрастанию


