-5%

ВЦП 6-45 (ВРП 120-45) №4 Исполнение №5

(1 отзыв клиента)

Диапазон цен: 17 237.0 $ – 20 787.0 $

ВЦП 6-45 (ВРП 120-45) №4 Исполнение №5

Радіальне (відцентрове) обладнання серії ВЦП 6-45 (ВРП 120-45) №4 Исполнение №5 служить для пересування газопилевоздушних неабразивних вибухобезпечних сумішей, температурою не більше + 80 ° С. Важливо, щоб їх агресивність по відношенню до сталі вуглецевого типу не перевищувала агресивність повітря. Суміші не можуть містити липких і волокнистих речовин, а концентрація механічних домішок не повинна перевищувати 1 кг / м³.

Модель служить для усунення стружки, а також деревної і металевого пилу, яка утворюється метало- та деревообробними верстатами. Устаткування проводиться в суворій відповідності з технічними умовами 22-4577-79 і ГОСТ 5976-73.

У виробництві вентиляторів ВЦП 6-45 (ВРП 120-45) №4 Исполнение №5 широко застосовуються довговічні, стійкі до зносу матеріали – сплави нержавіючої сталі, а також різнорідні матеріали. В останньому випадку можливе виготовлення за попереднім замовленням.

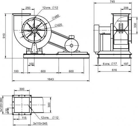
Пристрій являє собою наступні компоненти:
– електродвигун типу АІР;
– робоче колесо;
– спіралевидні корпус;
– вхідний патрубок;
– ходову частину, представлену підшипниковий вузлом;
– раму;
– станину;
– клиноременную передачу, що складається з ременів, шківів як провідного, так і веденого при виконанні згідно зі схемою 5.
Всі компоненти можна купити окремо.

Загальні відомості ВЦП 6-45

Моделі ВЦП 6-45 відрізняються:
– одностороннім всмоктуванням;
– поворотним спіралевидним корпусом;
– вісьмома прямими лопатками радіальної форми;
– право- і лівостороннім обертанням;
– використанням клиноремінною передачі згідно 5 схемі розміщення;
– строгою відповідністю технічних умов 22-4577-79.

Призначення ВЦП 6-45

Модель служить для пересування газопилевоздушних неабразивних вибухобезпечних сумішей, температурою не перевищує + 80 ° С. Важливо, щоб їх агресивність по відношенню до сплаву вуглецевої сталі не перевищувала агресивність повітря. Суміші не можуть містити липких, а також волокнистих речовин.

Сфера застосування вентиляторів:

ВЦП 6-45 №4,0-8,0 використовуються в пилоочисного установках, пневмотранспорту, в процесі видалення металевої та деревного пилу, а також стружки на метало- і деревообробних установках. Більш того, обладнання може застосовуватися для інших виробничих і санітарних цілей.

ВЦП 6-45 (ВРП 120-45) №4 Исполнение №5

Артикул: Н/Д Категория:
Комплектация

Электродвигатель 3 кВт 1500 об/мин, Электродвигатель 7.5 кВт 3000 об/мин, Электродвигатель 11 кВт 3000 об/мин

Based on 1 review

5.0 overall
1
0
0
0
0

Add a review

Этот сайт использует Akismet для борьбы со спамом. Узнайте, как обрабатываются ваши данные комментариев.

  1. Денис

    Качество хорошее, сделали в срок, рекомендую.

    Денис