ЦН-15х2СП Циклон
ЦН-15х2СП Циклон є універсальним і широко використовується у виробничих комплексах для сухого очищення газів, що утворюються в процесі таких технологічних процесів, як сушка, агломерація, випал і ін. ЦН-15 грає роль аспіраційного пристрою в різних галузях промисловості. Він відрізняється функціональністю, бездоганною якістю і прийнятною ціною.
Загальна інформація та умовні позначення
Циклони можуть виготовлятися як поодиноко, так і в груповому варіанті. Парні групи можуть включати в себе обладнання в кількості від 2 до 8 одиниць. У групових циклони існує можливість виготовлення камер повітряного очищення як у вигляді збірок, так і равлики. В одиночних варіантах передбачені виключно збірники другого виду. ЦН-15, вироблені з вуглецевої сталі, мають на увазі використання при температурі навколишнього середовища не нижче -40 ° С. Для можливості експлуатації обладнання при більш низьких температурах застосовується низьковуглецевий сталь.
Артикули обладнання підлягають розшифровці, що дозволяє розібратися в технічних характеристиках тієї чи іншої моделі. Наприклад, ЦН-15Л-600х2УП:
– ЦН – циклон;
– 15 вказує на кут нахилу патрубка;
– Л – ліве обертання газу (П – праве);
– 600 – довжина внутрішнього діаметра циліндричної ділянки обладнання в мм;
– 2 – кількість циклонів в групі;
– У – камера очищення повітря, виконана у формі равлика;
– С – камера у вигляді збірника;
– П – пірамідальна форма бункера.
Переваги ЦН-15
Універсальний циклон типу ЦН-15 відрізняється:
– простотою конструкції;
– можливістю використання в різних галузях промисловості;
– відсутністю аналогів до недавнього часу;
– високим рівнем очищення повітря – 85-95%
Особливості виконання та конструкції
Збірка стандартного типу циклонів ЦП-15 вимагає повної відмови від застосування обладнання на вибухонебезпечних і токсичних об’єктах, а також від уловлювання частинок пилу з високим коефіцієнтом злипання. Якщо ж передбачається експлуатація пристрою в умовах, зазначених вище, потрібно його виробництво в захисному виконанні, яке передбачає наявність вибухових клапанів і зменшення розміру бункера з метою попередження скупчення в ньому вибухонебезпечного пилу. У таких циклонів співвідношення циліндричної і канонічної частин складають 40/60. Діапазон роботи при цьому досягає 1-60 тис. М³ (залежить від марки). Нижня частина конуса і равлики обладнання дозволяють при необхідності приварювати додаткові металеві листи, що істотно підвищує зносостійкість і довговічність ЦН-15. Приварювання листів допускається виключно з зовнішнього боку обладнання. Також має значення діаметр циклону. Якщо цей показник менше 800 мм, то не слід застосовувати його для відводу абразивних частинок пилу, оскільки це може привести до виходу обладнання з ладу.
Принцип роботи ЦН-15х2СП Циклон
Циклон очищає повітряні маси від пилу за рахунок переміщення їх по спіралі в нижню частину пристрою. Це здійснюється за рахунок відцентрової сили, зміщує сторонні частинки до стінок циклону, після чого вони збираються в бункер.
Етапи руху мас безпосередньо в циклоні відбуваються поетапно:
– повітря з частинками пилу, піску і металів надходить в циклон з бічної частини;
– повітряна маса рухається по спіралі під певним кутом, забезпечуваним входом. Після першого звернення тверді частинки під впливом відцентрової сили стикаються зі стінками обладнання і опускаються в напрямку протилежному входу в бункер. Показники швидкості руху повітря досягають 4-7 м / сек, а число обертів – 4-6;
– після очищення повітря виводиться через отвір у верхній частині циклону;
– в бункері залишаються сторонні частинки.
Монтаж пиловловлювача ЦН-15х2СП Циклон
При установці циклону одночасно здійснюється монтаж вентилятора, який подає повітря в систему. Вентилятор розміщують перед циклоном. У тому випадку, коли він розташовується ззаду, краще віддати перевагу використанню ВЦ 14-46, проте пам’ятайте про необхідність установки раскручівателя повітря. У разі його відсутності спостерігається зниження ефективності роботи і тиску ЦН-15, виготовленого по груповому типу.
При виборі вентилятора необхідно враховувати тонкощі, які впливають на продуктивність роботи пристроїв.
Стабільність функціонування системи досягається за рахунок:
– правильного співвідношення діаметра труби і площі парасольки;
– вибору оптимальної товщини воздуховода, що з’єднує циклон з парасолькою;
– правильного визначення довжини системи від парасольки до вихлопу;
– підбору оптимальних параметрів тиску вентиляційного обладнання та продуктивності.
Комплект може складатися з бункера і циклону. Устаткування пропонується виробниками в різних розмірах і широкому ціновому діапазоні. При замовленні бункера слід брати до уваги інтервали між необхідними періодами очищення. Також перед покупкою слід проконсультуватися з фахівцем, оскільки нерідко виникають ситуації, коли установка ЦН-15 – непотрібна міра, наприклад, при роботі шліфувального обладнання.
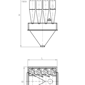
Технические характеристики циклона ЦН-15х2СП (со сборником и пирамидальным бункером).
| Наименование | Производительность по воздуху м3/ч | L, мм | B, мм | Высота, мм | Масса, кг |
| ЦиклонЦН-15-300х2СП | 1656-1908 | 795 | 638 | 2940 | 290 |
| Циклон ЦН-15-400х2СП | 2900-3382 | 890 | 724 | 3225 | 450 |
| Циклон ЦН-15-450х2СП | 3670-4282 | 1080 | 800 | 3580 | 540 |
| Циклон ЦН-15-500х2СП | 4540-5290 | 1225 | 880 | 4320 | 650 |
| Циклон ЦН-15-550х2СП | 5480-6400 | 1280 | 935 | 4550 | 745 |
| Циклон ЦН-15-600х2СП | 6528-7620 | 1336 | 988 | 4780 | 840 |
| Циклон ЦН-15-650х2СП | 7650-8920 | 1446 | 1004 | 5150 | 955 |
| Циклон ЦН-15-700х2СП | 8800-10360 | 1555 | 1020 | 5520 | 1070 |
| Циклон ЦН-15-750х2СП | 10200-11900 | 1653 | 1069 | 5845 | 1225 |
| Циклон ЦН-15-800х2СП | 11600-13500 | 1750 | 1118 | 6170 | 1380 |
| Циклон ЦН-15-900х2СП | 13700-18290 | 1920 | 1180 | 6860 | 1700 |





There are no reviews yet.