Электродвигатели специального назначения Электродвигатели специального назначения – настоящее время электрические приводы различных механизмов очень часто используются во всех без исключения отраслях промышленности, сельского хозяйства, транспорта. Такое широкое распространение, в первую
Асинхронный электродвигатель АИР, АИРМ, АД, А: трехфазные электродвигатели переменного тока серии АИР
Асинхронный электродвигатель АИР, АИРМ, АД, А: трехфазные электродвигатели переменного тока серии АИР Асинхронный электродвигатель АИР, АИРМ, АД, А: трехфазные электродвигатели переменного тока серии АИР – Электродвигатели с короткозамкнутым ротором предназначены
Габаритные и присоединительные размеры: вентиляторы высокого давления ВЦ 6-28
Габаритные и присоединительные размеры: вентиляторы высокого давления ВЦ 6-28 Габаритные и присоединительные размеры: вентиляторы высокого давления ВЦ 6-28 Таблица 4.1. Рисунок 4.1. (Схема исполнения №1) Таблица 4.2. Рисунок
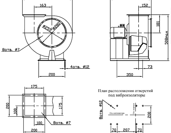
Технические характеристики: вентиляторы пылевые, вентилятор ВЦП 5-45, вентилятор ВРП
Технические характеристики: вентиляторы пылевые, вентилятор ВЦП 5-45, вентилятор ВРП Основные Технические характеристики: вентиляторы пылевые, вентилятор ВЦП 5-45, вентилятор ВРП Типоразмер вентилятора Конструктивное исполнение Двигатель Частота вращения рабочего колеса, n-1 Параметры
Аэродинамические характеристики: центробежный вентилятор радиальный вентилятор ВЦ 4-75 (ВЦ 4-70, ВР 89-75) низкого давления
Аэродинамические характеристики: центробежный вентилятор радиальный вентилятор ВЦ 4-75 (ВЦ 4-70, ВР 89-75) низкого давления Аэродинамические характеристики: центробежный вентилятор радиальный вентилятор ВЦ 4-75 (ВЦ 4-70, ВР 89-75) низкого давления ВЦ 4-75
Технические характеристики: вентиляторы центробежные ВЦ 14-46 №№ 2,0-8,0, вентиляторы радиальные ВР 287-46 среднего давления
Технические характеристики: вентиляторы центробежные ВЦ 14-46 №№ 2,0-8,0, вентиляторы радиальные ВР 287-46 среднего давления Технические характеристики: вентиляторы центробежные ВЦ 14-46 №№ 2,0-8,0, вентиляторы радиальные ВР 287-46 среднего давления Типоразмер вентилятора
Технические характеристики: центробежный вентилятор радиальный вентилятор ВЦ 4-75 (ВЦ 4-70, ВР 89-75) низкого давления
Таблица 1 Обозначение вентилятора Испол- нение D/Dн Тип электро- двигателя Nдв, кВт nдв, об/мин nр.к., об/мин Производительность, 103 м3/час Полное давление, Па Масса вентилятора, кг Виброизоляторы ηmax в рабочей зоне
Габаритные и присоединительные размеры: вентиляторы центробежные ВЦ 14-46 №№ 2,0-8,0, вентиляторы радиальные ВР 287-46 среднего давлениякупить
Габаритные и присоединительные размеры: вентиляторы центробежные ВЦ 14-46 №№ 2,0-8,0, вентиляторы радиальные ВР 287-46 среднего давлениякупить Габаритные и присоединительные размеры вентиляторов марок ВЦ 14-46 №2,5-8 Таблица 2.1. Рисунок 2.1.
Габаритные и присоединительные размеры: центробежный вентилятор радиальный вентилятор ВЦ 4-75 (ВЦ 4-70, ВР 89-75) низкого давления
ВЦ 4-75 №2,5 ВЦ 4-75 №3,15 ВЦ 4-75 №4 ВЦ 4-75 №5 ВЦ 4-75 №6,3 ВЦ 4-75 №8 ВЦ 4-75 №10 ВЦ 4-75 №12,5 ВЦ 4-75 №16
Асинхронные общепромышленные электродвигатели
Асинхронные общепромышленные электродвигатели Асинхронные общепромышленные электродвигатели – Асинхронный электродвигатель – это электрическая асинхронная машина, предназначенная для преобразования электрической энергии в механическую энергию вращения вала. Асинхронные общепромышленные электродвигатели по праву считаются





